Grounded Grid Tube Gain Stage

 

No, no, no, I'm still alive! Sorry for not updating my website more frequently but my disappearance the last 3 months can be traced to these reasons.

1. I've been abducted by aliens. Apparently they wanted to clone me, seeing me as the perfect human specimen. Man! Must be my awesome good looks! That's what Monica said! I guess life is unfair... For you! [Insert sinister laughter here]

2. I finally found my twin brother! He rules a tiny kingdom far away from all forms of modern civilization. It's paradise here! No traffic jams, no pollution, it's like a step back in time! Curiously everyone has a sound system and boy do I mean 'sound' system! Everyone listens to non-oversamping dacs, class-T amps and horn speakers! Evidently my twin brother has good taste! When I told him about monica and charlize, he reprimanded me for taking a piece of heaven away. And he banished me from his kingdom! Well, he aint heavy, he's my brother!

3. I've been busy working on a tube gain stage for monica. This is the most difficult part, a gain stage that does not colour monica, a gain stage that enhances monica's beauty. Not easy! Many tubes have come and many have failed. I love 12b4 but its microphonics!

 

 

Well, out of the 3 above, the last one is a lie. I was supposed to, but in the end didn't, develop the gain stage. But the good news is, someone did the gain stage! And none other than the famous `DAC Man' Liew!

Not contented with building the only out-of-this-world DAC, our solder happy Diyer was keen to get more of Monica in his system (greedy boy!). So he set forth on the search for such a gain stage.

And he zeroed in on the oft-overlooked, vastly under-appreciated grounded grid circuitry for it offers low input impedance to the DAC and if the right tubes are used, low output impedance as well. (Sorry you folks with 12A*7 tubes need not even enquire)

`DAC Man' at first tried with 5687 and found good sonics with Monica but once he tried 5842...Eureka!

 

CY Liew's "5842 GG"

 

It's easy to understand why. Don't let the tiny 5842 fool you. Among its tube brethrens, it has one of the highest tranconductance around! Meaning it will swing a lot of volts for a tiny bit of current. Or is it swing a lot of current for a bit of volts? Never mind! I guess you could say this tube is very responsive! No wonder 5842 excels in phono stages as well huh? But you don't often see them in commercial designs. Told you most of those guys got their heads screwed on wrongly....

If you are adventurous, or if miniatures aren't your fancy, triode-wired 7788 with its high conductance should be a wonderful candidate. vt4c suggested D3a, another mojo tube! That said, try this with other tubes you have in hand. There's more than one way you could please Monica okay?

Now GG works better than common cathode gain stages as its low input impedance is easier on Monica's TDA1545A current output stage. If your DAC chip is voltage output, then you would prefer a high input impedance gain stage. As GG has low input impedance, don't be daft and build one as a preamp. Unless you are REALLY DAFT.

 

I want more mojo
Typical of me, I only completed my GG much much later. But with slight mods. (Narcissicm is well alive!)

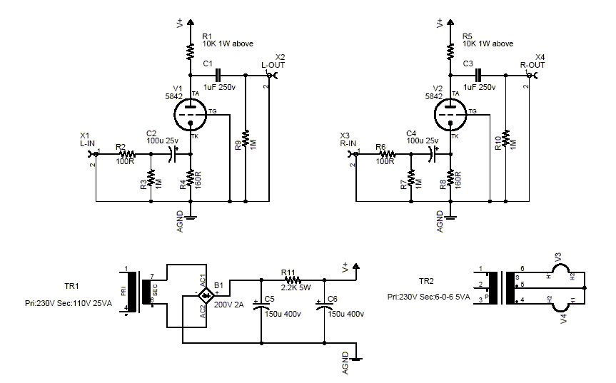
I built mine with a lower B+ just to use more iron! The 2 holes were occupied by 2 preamp output trans that just didn't cut it. So I had them taken out and went back to resistive load and cap coupling while the trans got rewound.

As I built my Monica2 inside, I omitted the 100uF (C2/C4), 100ohm (R2/R6), 1Meg(R3/R7). On the power supply side, I opted for choke filtering but these are just my changes. You can do it any way you want!

Now there's more Monica in my system! Mama mia! : )

 

Update on April 2006!

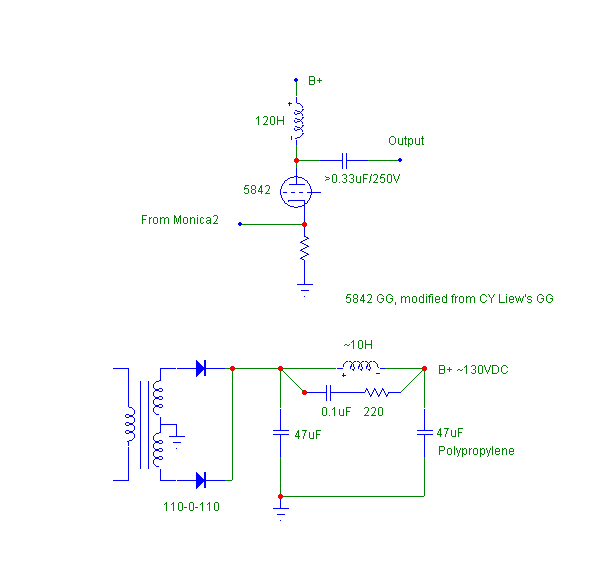
Wow! I finally got my plate chokes ready. A fantastic 120H/16mA!

Schematic below shows a R and C across the 10H choke. This is to "tune" the choke to 100Hz power supply noise. 5842 cathode resistor is still 160ohms.

Why plate chokes? Think about this. When your music calls for transients, your tube will need to conduct current very quickly. Where is this current coming from? The closest source will be your power supply cap (so any **** who says power supply caps aren't critical to the sonics ought to be shot). Ask yourself, how fast is this cap?

With plate chokes, it stores energy and thus able to supply instantaneous "juice" as required. This is why along with the much higher loading on the tube (at 20Hz, a 120H choke is about 15kohm load!), plate chokes REALLY REALLY SING! Transients are so much better, the "MUSICSIANS ARE HERE" quality just jumps out! Of course, the higher loading gives even smoother mids and highs. The realism is simply outstanding. Anyway, this is how my simple mind understands this. Let's play some music.

Press play... yeah, Monica is right in front of me but...

Wait! There's more to it!

She's gyrating to the music! Hands on her hip, swaying gently to the rhythm, seducing me with every note!

Ohhhhhh that lowwwwwwww cuttttttt blouuuuuuuuuuuuse!

That pouttttttttttttty lipsssssssss!

Man, am I on drugs?

Drug or no drug, this is awesome!

Will leave you pathetic folks out there!

Mama mia! Here I come!

 

Update on Aug 2006!

Rewired gg for 6688 in place of 5842. EVERYTHING IS BETTER!!!!!

Refer Downloads page for GG wiring.

 

diyparadise.com